C101/102 齒輪泵
技術特點
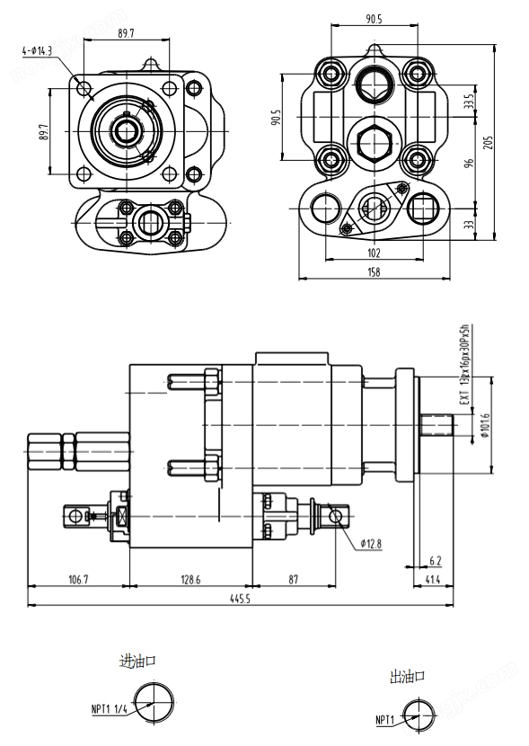
泵上裝有與泵體內聯的換向閥,可通過操縱桿控制車斗的舉升和降落
采用固定雙金屬側板和二次密封,容積效率可達92%以上
結構簡單,工作可靠,耐沖擊性好,維修方便
公稱排量 110ml/r 額定轉速 1800rpm
主要應用領域
自卸車
技術參數
公稱排量 ml/r | 110 |
額定轉速 rpm | 1800 |
轉速 rpm | 2400 |
額定壓力 MPa | 17.5 |
壓力 MPa | 20 |
| 液壓油 | 符合DIN 51 524 標準的礦物質油(HL、HLP) |
油液溫度范圍 ℃ | -20~100 |
粘度范圍 mm2/s | 10~380 |
| 油液清潔度 | 油液及系統的清潔度不低于GB/T 14039-93 19/16級或NAS 1638 10級 |
重量 Kg | 30 |
液壓系統原理圖

外形連接尺寸
C101齒輪泵

C102齒輪泵




















